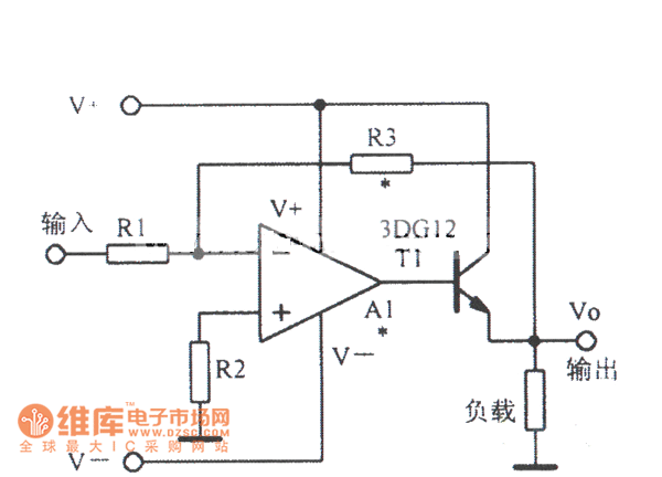
Published:2011/3/21 0:42:00 Author:Joan | Keyword: Output Current Expansion, Unipolar Output | From:SeekIC

Reprinted Url Of This Article:
http://www.seekic.com/circuit_diagram/Basic_Circuit/Analog_Circuit/Unipolar_Output_Current_Expansion_Circuit_Diagram.html
Print this Page | Comments | Reading(3)
Code: