Published:2009/6/29 1:37:00 Author:May | From:SeekIC

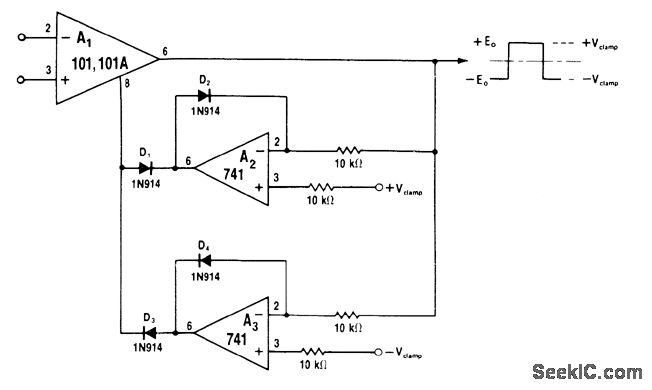
Precision comparator provides independent regulation of both output voltage limits without connection to comparison inputs. A2 and A3 are complementary precision rectifiers having independent positive and negative reference voltages, with both rectifiers operating in dosed loop through A1. A2 senses positive peak of Eo and maintains it equal to +Vclamp by adjusting voltage applied to D1. A3 and D3 perform similar function on negative peaks. Feedback network around output stage of A1 regulatesoutput voltage independently of inputs to A1. —W. G. Jung, IC Op-Amp Cookbook, Howard W. Sams, Indianapolis, IN, 1974, p 228-229.
Reprinted Url Of This Article:
http://www.seekic.com/circuit_diagram/Basic_Circuit/Analog_Circuit/VARIABLE_BIPOLAR_CLAMPING.html
Print this Page | Comments | Reading(3)
Code: