Published:2009/6/18 22:06:00 Author:May | From:SeekIC






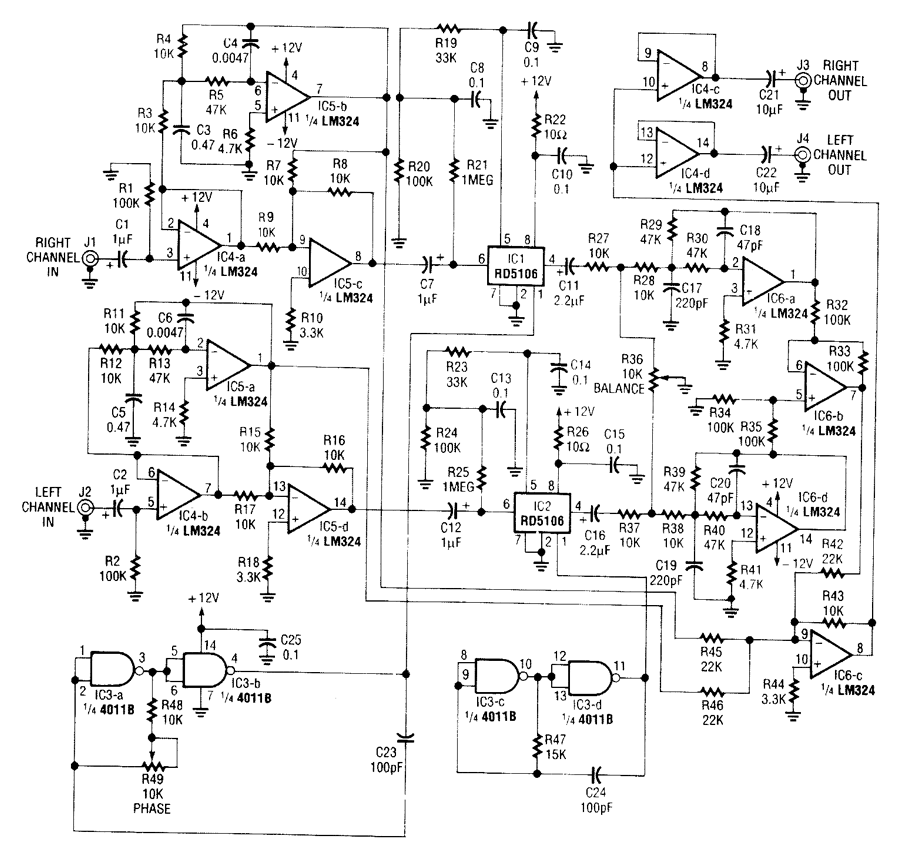
Right- and left-channel signals pass through 1 C4-a and -b buffer amps into active crossover IC5; low frequencies are sent to the ICG-c mixer, and middle and high frequencies are sent to the analog delay lines of 1C1 and 102. That output passes through 1C6-a and -d to filter high-frequency sample steps. IC6-b signals are remixed with low frequencies by ICG-c and are sent to final out via IC4-c and -d buffers.One channel (R) is a variable-delay circuit, using an analog bucket-brigade device and a variable clock frequency. This is compared in amplitude and phase to the L channel (fixed delay). The local can therefore be nulled out via R36.
Reprinted Url Of This Article:
http://www.seekic.com/circuit_diagram/Basic_Circuit/Analog_Circuit/VOCAL_STRIPPER.html
Print this Page | Comments | Reading(3)
Code: