© 2008-2012 SeekIC.com Corp.All Rights Reserved.
Published:2011/5/29 8:13:00 Author:chopper | Keyword: monolithic, temperature sensor | From:SeekIC

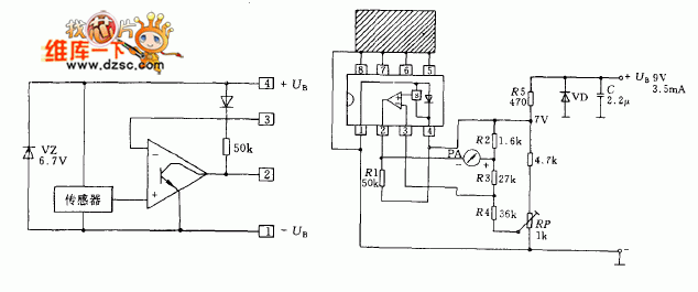
Integrated circuit LM3911 is a silicon sensor composed of operational amplifier and voltage regulator circuit.It can be a simple electrical thermometer only by using a few external components.Transistor is used as a temperature-sensing element on the silicon chip.The voltage of base and emitter of the transistor varies with temperature changes.When the temperature rises,the voltage will increase.Outside temperature intussuscepted from a copper billet will be passed on to the temperature sensor.The copper billet will be connected to pins 5~8 of the integrated circuit and the inside parts of these pins are connected to temperature sensor.
Reprinted Url Of This Article:
http://www.seekic.com/circuit_diagram/Basic_Circuit/Analog_Circuit/monolithic_temperature_sensor_circuit.html
Print this Page | Comments | Reading(3)
Response in 12 hours
© 2008-2012 SeekIC.com Corp.All Rights Reserved.
Code: