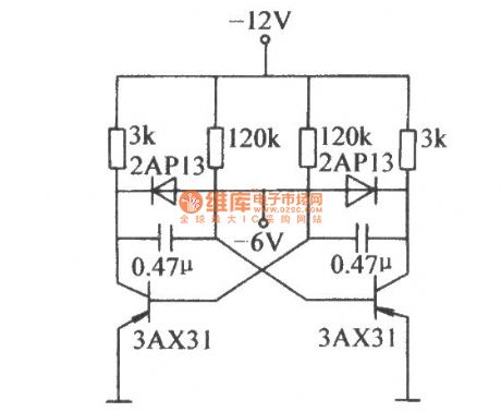
Published:2011/10/18 21:46:00 Author:Ecco | Keyword: Astable circuit , stable amplitude | From:SeekIC

Reprinted Url Of This Article:
http://www.seekic.com/circuit_diagram/Basic_Circuit/Astable_circuit_with_stable_amplitude.html
Print this Page | Comments | Reading(3)
Code: