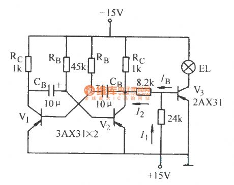
Published:2011/8/23 2:07:00 Author:Ecco | Keyword: Astable flashing circuit | From:SeekIC

Reprinted Url Of This Article:
http://www.seekic.com/circuit_diagram/Basic_Circuit/Astable_flashing_circuit.html
Print this Page | Comments | Reading(3)
Code: