Published:2011/7/29 2:38:00 Author:Ecco | Keyword: Auto counter , producivity | From:SeekIC

The auto counter for productivity described in the example uses infrared shading control circuit to accurately calculate the yield of the product.Itcan be used for beverages, beer and food packaging production line.
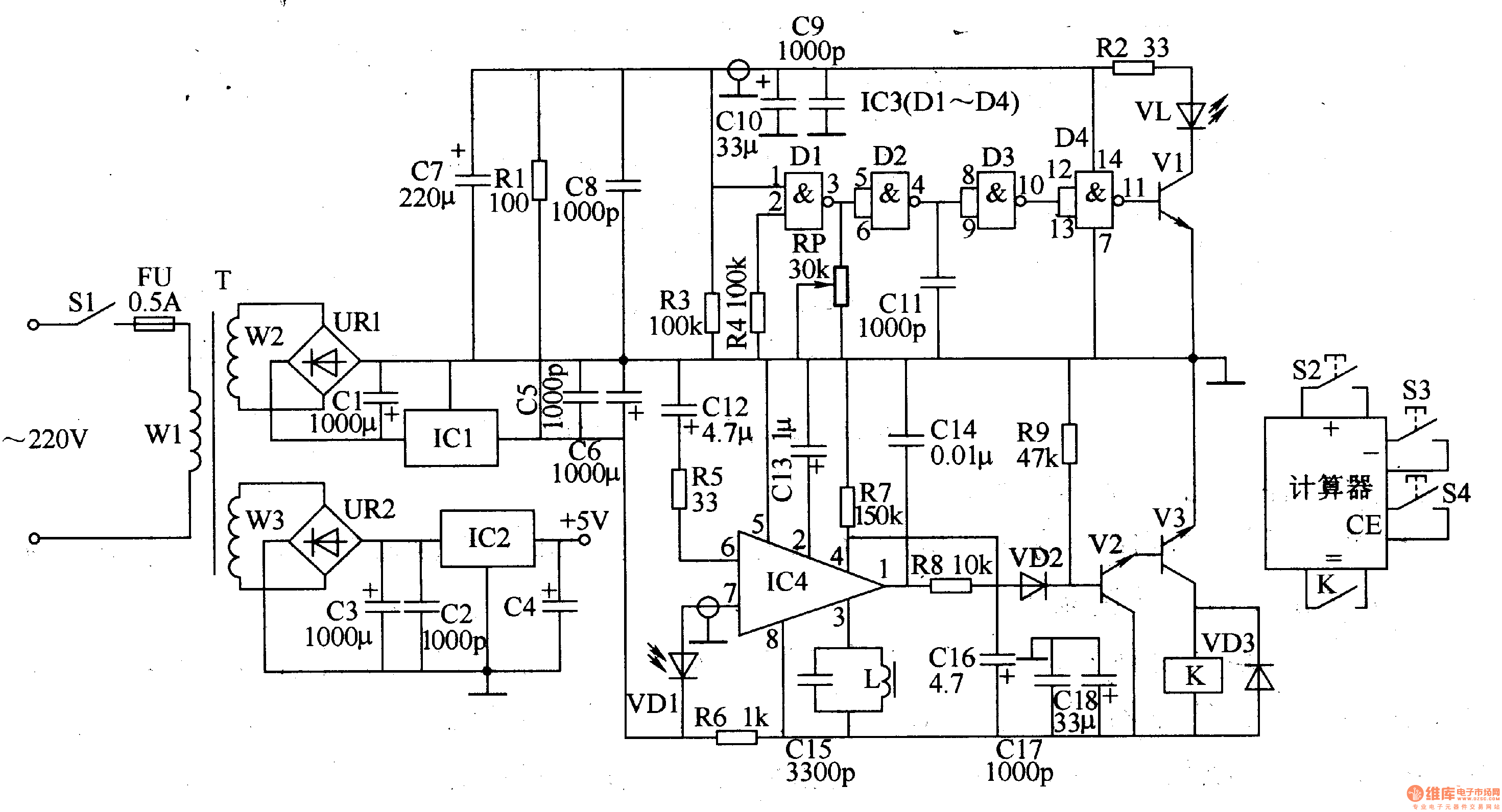
Power circuit is composed of the power switch Sl, fuse FU, power transformer T, rectifier bridge pile URl and UR2, three-terminal voltage regulator integrated circuit lCI and IC2, capacitors Cl-C8 and resistor R1.
Infrared transmitter circuit consists of NAND gate integrated circuit IC3 (Dl-D4), the transistor Vl, infrared light-emitting diode VL, resistors R2-R4, capacitors Cg-Cll and potentiometer RP.
Infrared receiver is composed of the infrared photodiode amplifier VDl, infrared signal processing integrated circuit IC4, resistors R5-R7, capacitors and inductors Cl2-Cl6 L. Control implementation circuit is composed of the resistors R8 and Rg, capacitors C17 and Cl8, diode VD2 and VD3, the transistor V2 and V3 and the relay K composition.
Count control circuit is composed of the fluorescent display calculators and thee normally open contact of K.
Reprinted Url Of This Article:
http://www.seekic.com/circuit_diagram/Basic_Circuit/Auto_counter_for_producivity_2.html
Print this Page | Comments | Reading(3)
Code: