Published:2011/4/25 21:13:00 Author:Ecco | Keyword: Auto counter , producivity | From:SeekIC

The auto counter for productivity described in the example uses infrared reflection control circuit, it can be used for automatic counting of a variety of assembly line production.
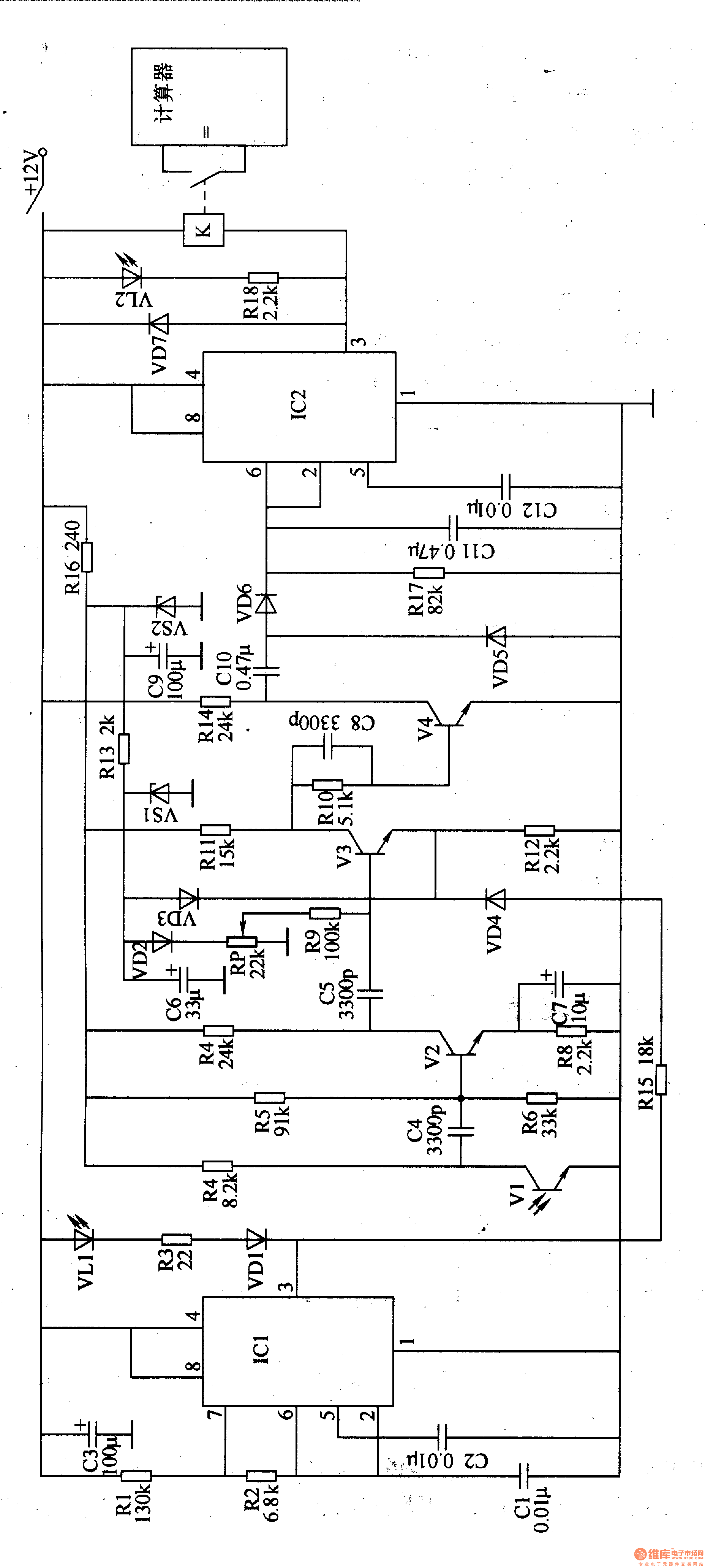
The working principle.
The auto counter for productivity circuit is composed of infrared emission circuit, infrared receiver processing circuit, voltage rectifier circuit, control implementation circuit and the count display circuit, it is shown in Figure 8-83.
Infrared transmitter circuit consists of infrared light-emitting diode VLl, resistors Rl-R3, diode VDl, capacitors CI-C3 and the time-base integrated circuit ICl.
Infrared receiver processing circuit is composed of the infrared phototransistor Vl, transistor V2-V4, resistors R4-R16, capacitors C4-C9, voltage regulator diode VSl, VS2, and potentiometer RP.
Doubler rectifier circuit is composed of the capacitor ClO and Cll, diodes VD5, VD6 and resistors R17.
The control implementation circuit is composed of time base control circuit IC2, resistor R18, diode VD7, capacitor Cl2, light-emitting diodes VL2 and relays K.
Reprinted Url Of This Article:
http://www.seekic.com/circuit_diagram/Basic_Circuit/Auto_counter_for_producivity_3.html
Print this Page | Comments | Reading(3)
Code: