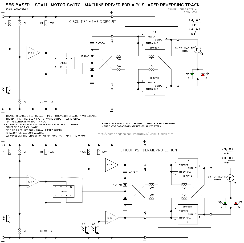
Published:2013/6/5 21:39:00 Author:muriel | Keyword: Automatic Reversing Circuit Mk IV | From:SeekIC

Reprinted Url Of This Article:
http://www.seekic.com/circuit_diagram/Basic_Circuit/Automatic_Reversing_Circuit_Mk_IV.html
Print this Page | Comments | Reading(3)
Code: