Published:2011/7/26 9:49:00 Author:Nancy | Keyword: Automatic trace, phase shifting | From:SeekIC

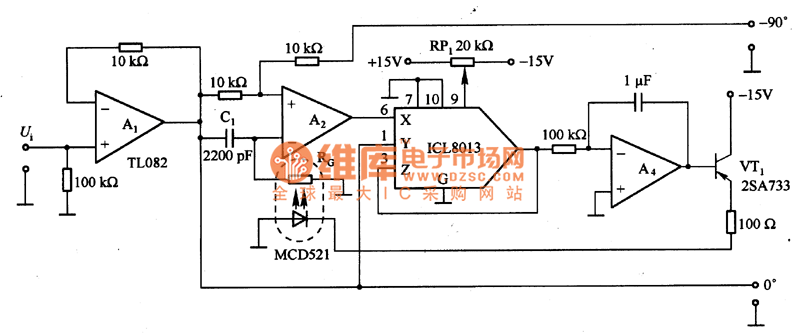
Figure 1 is a automatic trace phase shifting 90 circuit diagram. In the circuit, A1 is a buffer amplifier, which can amplify the input signal below 1 V into several volts. A2 is a phase shifting circuit with stable gain, the amplitude of the output signal is not relevant to the input frequency, it only changes the phase, so it is also called all pass filter.
The necessary condition to get 90 ° phase difference is RG=1/2πfC1, here we use servo circuit to control the RG. The synchronous detection circuit is formed by the analog multiplier, the output Uo of the synchronous detection circuit is equal to Ucosφ under the condition of 90° phase detection, which means it is not relevant to the amplitude of the input signal, the output Uo is equal to zero as long as the φ is equal to 90°. The integrator is also a servo circuit which uses VT1 to increase the output current.
Reprinted Url Of This Article:
http://www.seekic.com/circuit_diagram/Basic_Circuit/Automatic_trace_phase_shifting_90_circuit_diagram.html
Print this Page | Comments | Reading(3)
Code: