Published:2011/6/23 6:35:00 Author:Christina | Keyword: fan, single chip, microcomputer, integrated circuit | From:SeekIC


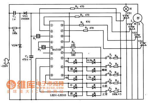
The BA3105 is designed as one kind of fan single chip microcomputer integrated circuit which is produced by the Toyo company, and it can be used in all kinds of fan control program circuits. The BA3105 uses the 18-pin dual-row DIP package, the typical application circuit is as shown infigure 1, the pin functions and data are as shown intable1.
Table 1 The pin functions and data of the BA3105
Figure 1 The typical application circuit of the BA3105
Reprinted Url Of This Article:
http://www.seekic.com/circuit_diagram/Basic_Circuit/BA3105_fan_single_chip_microcomputer_integrated_circuit.html
Print this Page | Comments | Reading(3)
Code: