Published:2009/7/14 23:17:00 Author:Jessie | From:SeekIC

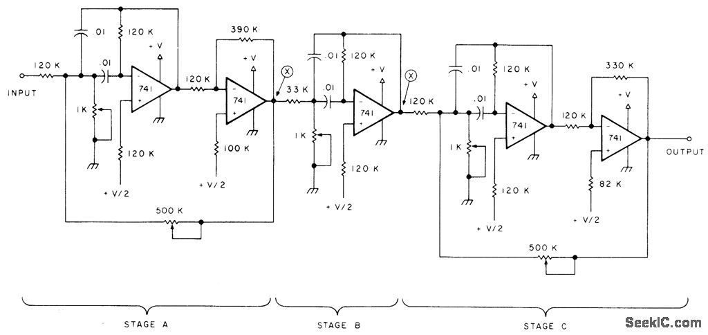
Three-stage active Butterworth bandpass input filter is used in radioteletype demodulator to separate RTTY tones from each other and from noise. Filter is centered on 2200 Hz, and has bandpass of about 260 Hz to allow reception of some of audio sidebands produced by keying and allow for small drift. Five pots serve for trimming center frequency of each stage andQ of end stages. Article gives step-by-step design and alignment procedures. Use two 10K resistors between V and ground to get V/2 for bias when operating from single supply.-P. A. Stark, Design an Active RTTY Filter, 73 Magazine, Sept. 1977, p 38-43.
Reprinted Url Of This Article:
http://www.seekic.com/circuit_diagram/Basic_Circuit/BANDPASS_FOR_170_Hz_RIIY_SHlFI.html
Print this Page | Comments | Reading(3)
Code: