About SeekIC | Services | Payment | Advertisements service | Contact Us | Links
© 2008-2012 SeekIC.com Corp.All Rights Reserved.
Published:2009/7/16 3:56:00 Author:Jessie | From:SeekIC

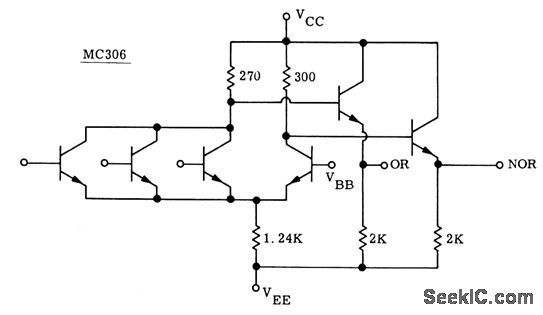
Circuit is basic element of current mode logic family. If reference voltage VBB is supplied to one side of gate, constant current that normally Bows through 1.24 K emitter resistor can be switched from one side of gate to other by switching input signals above and below reference voltage. Complementary output is provided from single gate.-S. T. Robertson, Integrated Circuit Line Driver, Motorola Application Note AN-187, Aug. 1965.
Reprinted Url Of This Article:
http://www.seekic.com/circuit_diagram/Basic_Circuit/BASIC_IC_GATE.html
Print this Page | Comments | Reading(3)
Response in 12 hours
© 2008-2012 SeekIC.com Corp.All Rights Reserved.
Code: