Published:2009/7/15 1:51:00 Author:Jessie | From:SeekIC

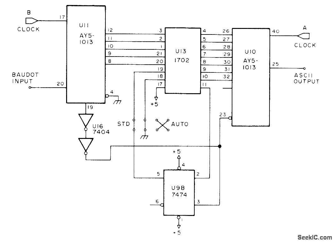
Used with Baudot RTTY codes on amateur bands, to drive Teletype ma chine requiring ASCII code. Separate 555 timers are used as clocks running at 727 Hz and at 1760 Hz. Provides only one-way conversion for receiving capability, but article gives companion circuit for two-way code conversion as required for transmission with ASCII Teletype. On U13, pins 12, 13, 15, 22, and 23 all go to +5 V along with pin 17; only pin 14 is grounded.-J. G. Mills, Baudot to ASCII Converter, 73 Magazine, Sept. 1977, p 80-85.
Reprinted Url Of This Article:
http://www.seekic.com/circuit_diagram/Basic_Circuit/BAUDOT_TO_ASCII.html
Print this Page | Comments | Reading(3)
Code: