Published:2009/7/12 22:30:00 Author:May | From:SeekIC

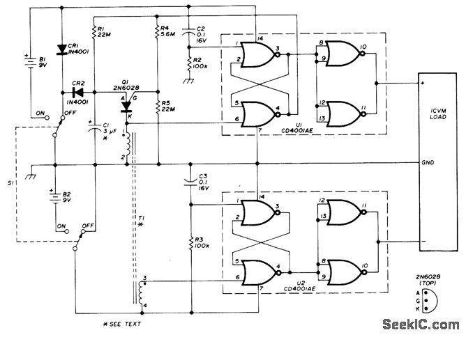
Tums off battery-powered IC VTVM automatically about 3.5 min aftertuning on with S1, to prolong battery life even though user forgets to tum off instrument. Circuit can be retriggered at any time in timing cycle by switching S1 off and then on again. Q1 is programmable UJT that drives latch using two gates of CD4001AE quad N0R gate U1. With pin 3 high and pin 4 low, timing circuit and load are both turned off; battery drain by U1 is then only 0.001 μA. Values of R1 and C1 determine time interval, T1 is air-core pulse trans-former having 600 tums (No. 36 to 401 enamel for primary and same number wound over primary for secondary.-R. Hardesty, Tum-Off Timer for Portable Equipment, Ham Fladio,Sept. 1976, p 42-44.
Reprinted Url Of This Article:
http://www.seekic.com/circuit_diagram/Basic_Circuit/BAlTERY_SAVER.html
Print this Page | Comments | Reading(3)
Code: