Published:2009/7/1 5:36:00 Author:May | From:SeekIC

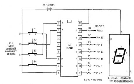
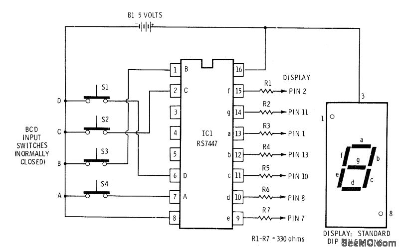
Radio Shack RS7447 BCD to 7-segment decoder converts settings of four BCD input switches to corresponding 0-9 digit on 7-segment commonanode LED display. Display is Radio Shack 276-053. Battery can be four AA cells in series,with 1N914 diodeinserted in positive lead to reduce voltage to 5 v.-F.m.Mims, Integrated Cirouit Proieets, Vol 2, Radio Shack,Fort Worth,TX,1977,2nd Ed.p 27-40.
Reprinted Url Of This Article:
http://www.seekic.com/circuit_diagram/Basic_Circuit/BCD_DECODER_1.html
Print this Page | Comments | Reading(3)
Code: