Published:2009/7/13 4:07:00 Author:May | From:SeekIC

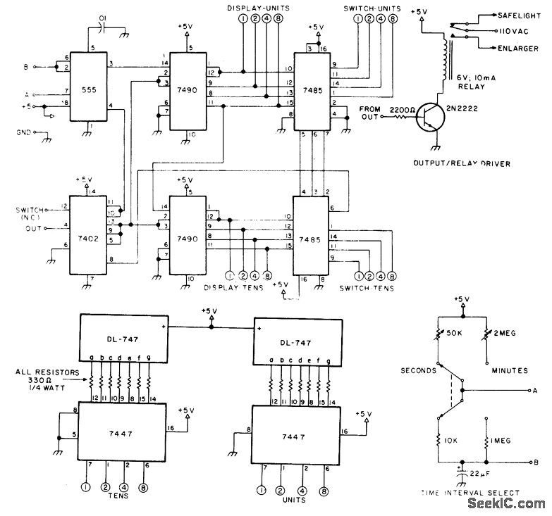
Provides timing in seconds to 99 s, and timing in minutes to 99 min, with 2-digit LED indicator showing elapsed time. Desired interval is set with BCD thumbwheel switches. LED readout counts up to preset time, then resets automatically to zero. Switch giving choice of seconds or minutes has center-off position that stops count temporarily for buming in portion of negative. Article gives construction details.-M.I.Leavey, Build a Unique Timer, 73 Magazine, Aug. 1977, p 66-71.
Reprinted Url Of This Article:
http://www.seekic.com/circuit_diagram/Basic_Circuit/BCD_THUMBWHEEL_SET_99_min_TIMER.html
Print this Page | Comments | Reading(3)
Code: