Published:2009/6/30 3:22:00 Author:May | From:SeekIC

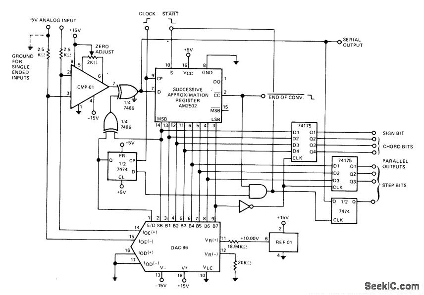
μ-255 COMPANDING LAW—Precision MonolithiCS DAa-86 is used in circuitthat provides 15-segment linear approximation by using 3 bits to select one of eight binarily related chords, then using 4 bits to select one of sixteen Iinearly related steps within each chord.Sign bit determines signal polarity, and encode/decode select bit determines operation, Circuit shown is for palallel data applications Forserialdata,omit inverter, two 74175 chips,and half of 7474 Power supplies should be well by-passed,— COMDAC Companding D/A Converter, Precision Monolithics, Santa Clara, GA, 1977, DAC-86,p 6.
Reprinted Url Of This Article:
http://www.seekic.com/circuit_diagram/Basic_Circuit/BELL_SYSTEM_.html
Print this Page | Comments | Reading(3)
Code: