Published:2009/7/13 21:36:00 Author:May | From:SeekIC

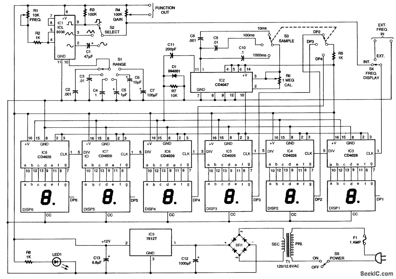
This circuit will produce sine, square, and triangle waves from 0.1 Hz to 1 MHz and has a counter which will read the frequency of the function generator or an external signal of a few volts peak-to-peak that will drive the CMOS counter.
Reprinted Url Of This Article:
http://www.seekic.com/circuit_diagram/Basic_Circuit/BENCHTOP_FUNCTION_GENERATOR_WITH_BUILT_IN_COUNTER_.html
Print this Page | Comments | Reading(3)
Code: