Published:2009/7/15 23:13:00 Author:Jessie | From:SeekIC

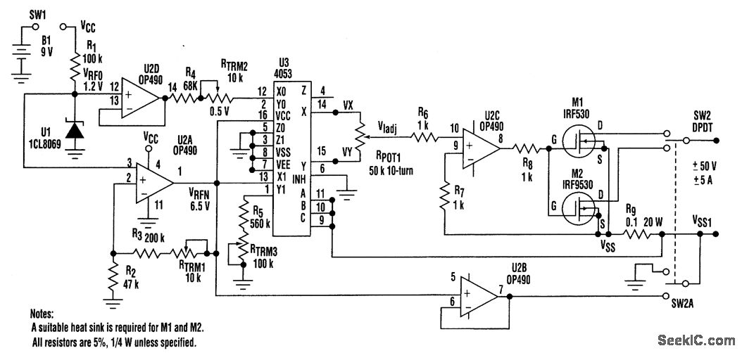
The design presented here is a single +9-V, battery-operated, bidirectional active load that can sink and source current. This is a low-power design, consuming only about 140μA. The power MOSFET selected (IRF530 N-channel and IRF9530 P-channel), after derating, accepts a maximum load of ±50V at ±5 A. The key to the design is having two different sets of voltage levels at Vx ,VY, and VSS1. One set is for current-sinking test, while the other is for current-sourcing test.
Reprinted Url Of This Article:
http://www.seekic.com/circuit_diagram/Basic_Circuit/BIDIRECTIONAL_ACTIVE_LOAD.html
Print this Page | Comments | Reading(3)
Code: