Published:2009/7/1 22:39:00 Author:May | From:SeekIC

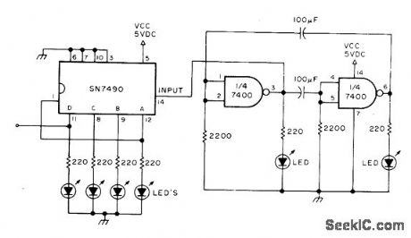
Two sections of SN7400 quad gate form low-frequency MVBR senring as pulse source for SN7490 decade counter. Rate is low enough so blinking of tED status indicators in MVBR can be seen, as indication of pulse generation. Similarly, LEDs of counter blink to indicate counts of 8, 4, 2, and n from left to fight, with combinations of lights coming on to display binary values 0 to 15 before recycling. Ideal for Science Fair exhibit.-A. MacLean, How Do You UselCs?, 73 Magazine, Dec, 1977,p 56-59.
Reprinted Url Of This Article:
http://www.seekic.com/circuit_diagram/Basic_Circuit/BINARY_DEMO.html
Print this Page | Comments | Reading(3)
Code: