Published:2009/7/14 20:47:00 Author:May | From:SeekIC

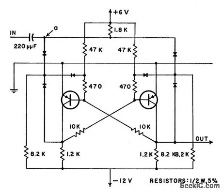
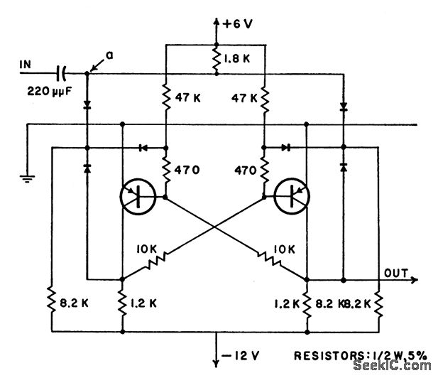
Triggering is accomplished by turning transistors on, whereas in most similar circuits the transistors are turned off. Trigger pulse merely has to lower point o below ground for fraction of microsecond. Almost any diode and transistor can be used. Speed can be up to 10 Mc with high-speed transistors. Output fall time is fast.-Binary Flip-Flop Tums On, Electronic Circuit Design Handbook, Mactier Pub. Corp., N.Y., 1965, p 214.
Reprinted Url Of This Article:
http://www.seekic.com/circuit_diagram/Basic_Circuit/BINARY_FLIP_FLOP_IURNS_ON.html
Print this Page | Comments | Reading(3)
Code: