Published:2009/7/1 19:46:00 Author:May | From:SeekIC

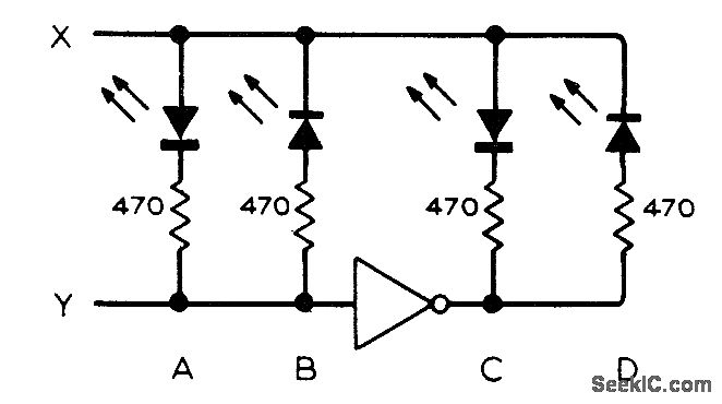
Simple circuit using four LEDs and one inverter (which may be a transistor or spare gate) displays all four possible states on two binary tines. When levels of lines X and Y are the same, A and B will be off.Inverter then places C and D at different levels so one LED (C or D) will be on, Reverse situation occurs when X and Y are at different levels.-D.Straker, Binary State Indicator, Wireless World, Feb. 1977, p 44.
Reprinted Url Of This Article:
http://www.seekic.com/circuit_diagram/Basic_Circuit/BINARY_LINE_STATES.html
Print this Page | Comments | Reading(3)
Code: