Published:2009/6/30 1:38:00 Author:May | From:SeekIC

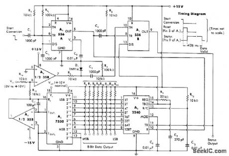
Converts analog signal in range of 0-10 V to 8-bit binary word having all 0s for 0V and all 1s for full-scale input of +9.960V output is 15-V CMOS-compatible but can be adapted for TTL compatibility,Maximum conversion time is about 26 ms. A2 and A3 form negative-going staircase generatof for which startconversion signal is formed by one section of 556. Opamp A4 compares negative output of 7530 with input voltage Vin. When 7530 output voltage equals input voltage, comparator output goes positive and resets control flip-flop to complete gonversion.—W. G. Jung, IC Timer Cookbook, Howard W. Sams, Indianapolis, IN,1977, p 226-228.
Reprinted Url Of This Article:
http://www.seekic.com/circuit_diagram/Basic_Circuit/BINARY_OUTPUT.html
Print this Page | Comments | Reading(3)
Code: