Published:2009/7/11 5:06:00 Author:May | From:SeekIC

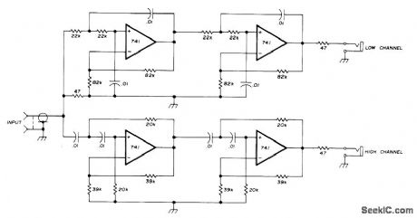
Provides two channels for feeding stereo phones or two loudspeakers. When interference occurs a few hundred hertz from desired frequency, receiver is tuned so desired signal appears to be midway between loudspeakers, leaving interfering signals at right or left. Left or low channel has low-pass active filter and right or high channel has high-pass filter, with crossover at 750 Hz. Synthesizer is designed for low-impedance drive, as from loudspeaker output of receiver. Resistors in output channels prevent oscillation when 8-ohm phones or loudspeakers are directly connected to outputs. Opamps will drive 2000-ohm phones with ample volume and give moderate volume levels with 8-ohm loads.-D. E. Hildreth, Synthesizer for Binaural CW Reception, Ham Radio, Nov. 1975, p 46-48
Reprinted Url Of This Article:
http://www.seekic.com/circuit_diagram/Basic_Circuit/BINAURAL_SYNTHESIZER_FOR_CW.html
Print this Page | Comments | Reading(3)
Code: