Published:2009/7/13 21:42:00 Author:May | From:SeekIC

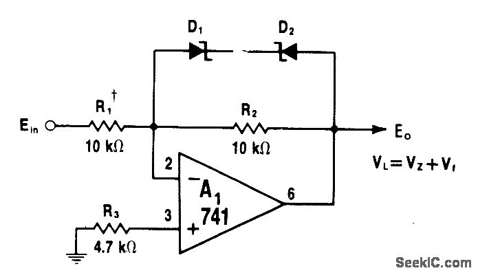
Circuit limits opamp output swing in either direction to sum of zener- and forward.breakdown voltages of D1 and D2. With matched zeners, positive and negative limiting levels are symmetrical. With 10-V zenets, limiting occurs at 10.6 V (10.0 + 0.6 V) to allow linear t 10 V swing without saturating A1. R2 is selected according to gain requirement. Diodes are matched pair chosen to provide desired limit voltage, such as 1N758 for ±10 V output swing.-W. G. Jung, IC 0p-Amp Cookbook, Howard W. Sams, Indianapolis, IN, 1974, p 201.
Reprinted Url Of This Article:
http://www.seekic.com/circuit_diagram/Basic_Circuit/BIPOLAR_ZENER.html
Print this Page | Comments | Reading(3)
Code: