Published:2009/7/6 7:00:00 Author:May | From:SeekIC

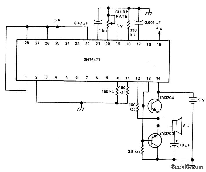
For a barking dog,the capacitor at pin 17 o changed to 15 pF to mcrease the frequency of the VCO.
Reprinted Url Of This Article:
http://www.seekic.com/circuit_diagram/Basic_Circuit/BIRD_CHIRP.html
Print this Page | Comments | Reading(3)
Code: