Published:2009/7/16 4:01:00 Author:Jessie | From:SeekIC

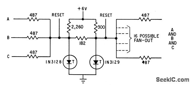
Uses resistance-coupled inputs to tunnel diodes. Gate is open when 1N3l29 is on its negative-resistance slope, so reset pulse must be applied to close if.-F. Leary, Computers Today, Electronics, 34:17, p 64-94.
Reprinted Url Of This Article:
http://www.seekic.com/circuit_diagram/Basic_Circuit/BISTABLE_AND_CIRCUIT_WITH_RESET.html
Print this Page | Comments | Reading(3)
Code: