Published:2009/7/9 23:03:00 Author:May | From:SeekIC

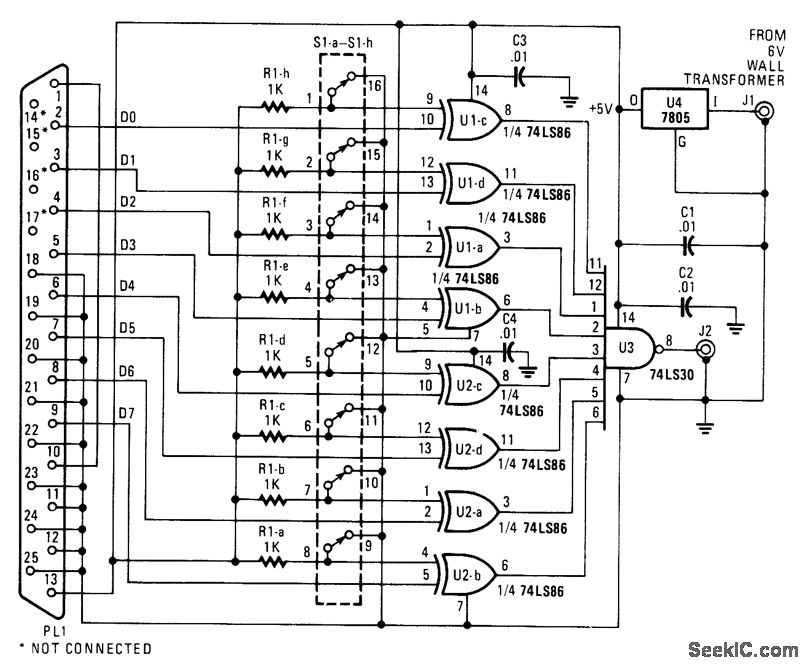
When the user set character (D0 through D7) from a computer matches the character programmed on SIA through S1A, the output from J2 becomes low. This device can be used as a test aid to check printer cable or as a control circuit for interfacing with a computer.
Reprinted Url Of This Article:
http://www.seekic.com/circuit_diagram/Basic_Circuit/BIT_GRABBER.html
Print this Page | Comments | Reading(3)
Code: