Published:2009/7/15 4:30:00 Author:Jessie | From:SeekIC

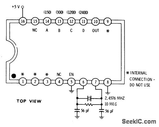
Fairchild 4702 IC synthesizes frequencies most often used in serial data communication, particularly with UARTS. With connections shown, output is 1760 Hz which is 16 x 110-baud rate of serial teletypes. Grounding only pin A generates 16 x 150 bauds. Grounding only pin B gives 16 x 300 bauds, grounding pin C gives 16 x 1200 bauds, and grounding pin D gives 16 x 2400 bauds. Will drive one regular TTL load at supply drain of 1 mA.-D. Lancaster, CMOS Cookbook, Howard W. Sams, Indianapolis, IN, 1977, p 155.
Reprinted Url Of This Article:
http://www.seekic.com/circuit_diagram/Basic_Circuit/BIT_RATE_GENERATOR.html
Print this Page | Comments | Reading(3)
Code: