Published:2009/7/6 6:22:00 Author:May | From:SeekIC

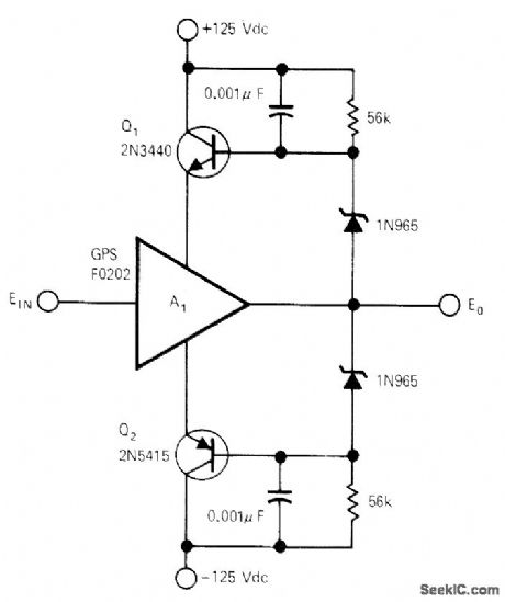
Bootstrapping technique permits operation of low-voltage unity-gain opamp from high-voltage DC supply for handling large input signal voltage swings, while retaining gain and voltage stability of opamp. Allowable input-voltage range depends entirely on transistor rating. With 1000-V transistors, circuit can handle input signals of ±475 V. Input capability for values shown is ±100 V P-P for DC to 10 kHz. Output capability is 5 mA P at t 100 V. Input impedance is 10 teraohms. -S. A. Jensen, High-Voltage Source Follower, EDN IEEE Magazine, Feb. 1, 1972, p 58.
Reprinted Url Of This Article:
http://www.seekic.com/circuit_diagram/Basic_Circuit/BOOSTING_VOLTAGE_RATING.html
Print this Page | Comments | Reading(3)
Code: