Published:2009/6/29 4:01:00 Author:May | From:SeekIC

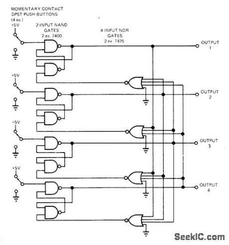
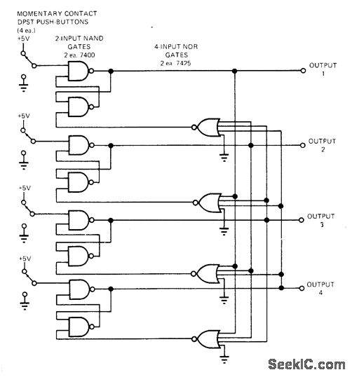
Arrangem ent provides low-cost equivalent of mechanically inteelocked switch assembly, while providing TTL compatibility and freedom from switch bounce. Momentary pressing of any pushbutton restores its associated RS flip-flop to normal and makes output of that channel high. Arrangement uses cross-coupled two-input NAND gates for each flip-flop, connected so each actuation produces an output and resets all other flip-flops. If two or more buttons are pushed simultaneously, all their channels will go high, but only last one released will stay on. Any number of channels may be added.—B.Brandstedt, Digital Interlocking Switch is Inex-pensive to Build, EDN Magazine, Dec. 15, 1972, p 42.
Reprinted Url Of This Article:
http://www.seekic.com/circuit_diagram/Basic_Circuit/BOUNCE_FREE_INTERLOCKING.html
Print this Page | Comments | Reading(3)
Code: