Published:2009/7/10 21:11:00 Author:May | From:SeekIC


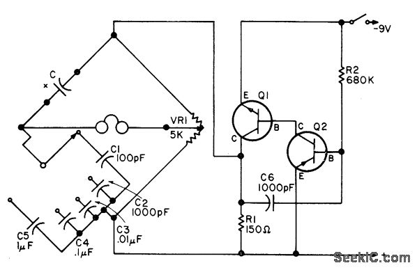
Uses five reference capacitors, one for each range. Linear pot VR1 serves for balancing. High-resistance headphones indicatenull, and capacitor value is then read from setting of VR1. Scale of VR1 is marked for 100 to 10,000 pF for C2 range and 0.01 to 1 μF for C4 range. Scale values are multiplied or divided for other ranges. Calibration is carried out on C2 range, using known capacitor values.Tone oscillator can use almost any pair of transistors, one NPN and the other PNP,-F. G.Rayer, Adrift over Your C's?, 73 Magazine, March 1976, p 106-107.
Reprinted Url Of This Article:
http://www.seekic.com/circuit_diagram/Basic_Circuit/BRIDGE_FOR_25_pF_TO_10_μF.html
Print this Page | Comments | Reading(3)
Code: