Published:2009/7/10 2:16:00 Author:May | From:SeekIC

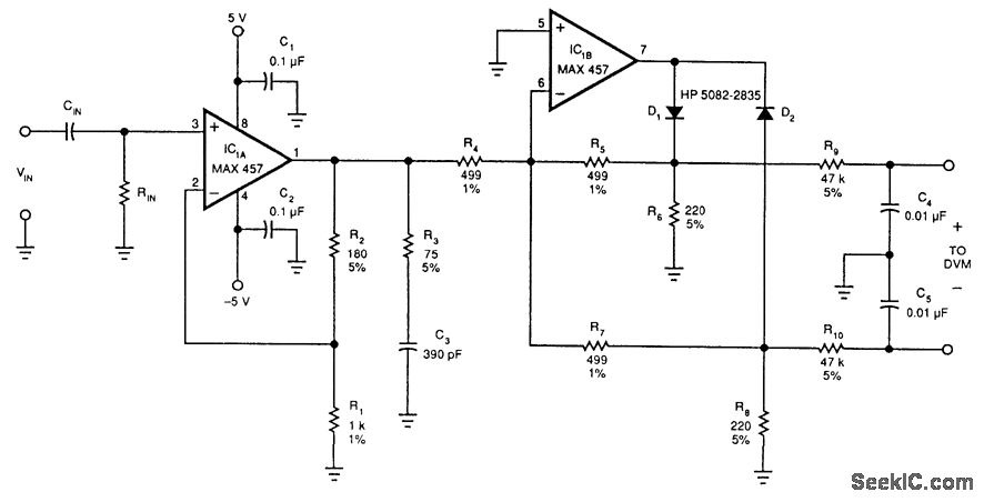
This circuit converts sine waves of up to 1-V rms into an equivalent dc level. It should prove useful as an ac broadband voltmeter. IC1 is an input amplifier that converts level from rms to an equivalent dc level and feeds ICB1. R3 and C3 are stabilizing components. IC2 acts as a full-wave rectifier. R6, R5, and D1 rectify positive levels, R7, R8, and D2 negative-going signals. R9, R10, C4, and C5 are low-pass filters.The output can feed a DVM or another meter.
Reprinted Url Of This Article:
http://www.seekic.com/circuit_diagram/Basic_Circuit/BROADBAND_AC_ACTIVE_RECTIFIER.html
Print this Page | Comments | Reading(3)
Code: