Published:2009/7/10 2:10:00 Author:May | From:SeekIC

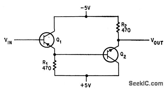
Darlington circuit gives unity gain from d-c up to several Mc, using any complementary pair of transistors having sufncienlly high gain and cutoff frequency.-I. Ingemarsson, Darlington Maintains Constant Unity Gain, Electronics, 38:22, p 69.
Reprinted Url Of This Article:
http://www.seekic.com/circuit_diagram/Basic_Circuit/BROADBAND_IMPEDANCE_TRANSFORMER.html
Print this Page | Comments | Reading(3)
Code: