Published:2009/6/30 23:22:00 Author:May | From:SeekIC



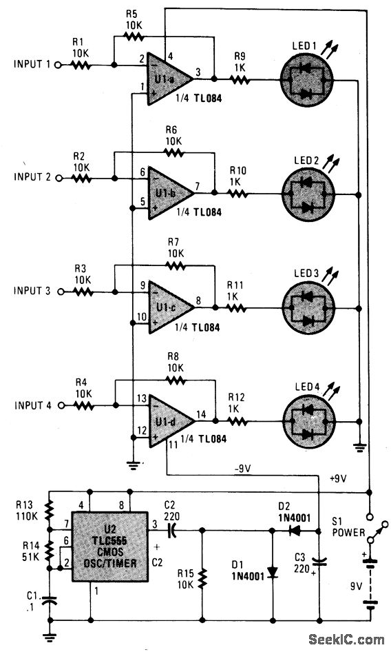
The monitoring circuit consists of four tri-color LEDs driven by an equal number of op amps configured as gain-of-one inverting amplifiers. Each LED is wired in the circuit so that it glows red when the input to the op amp is high, and green when the input is low. The LED remains off when the input is disconnected from a circuit, when it's at ground potential, and when it's connected to a 3-state output that's in the high-impedance state. Each input has an impedance of 10,000 ohms preventing the circuitfrom loading communication lines. The op amp requires both positive and negative sup-ply voltages to properly drive the LEDs. Both voltages are supplied by a single, nine-volt battery. The battery supplies the positive source directly. The negative source is supplied via a CMOS 555 oscillator/timer that's configured as an astable oscillator, which is used to drive a standard diode/capacitor voltage doubler. When the 555 is connected to the monitoring circuit, the output voltage is not 18 volts (2×9), but a little under nine volts, due to loading. The circuit draws about 16 mA with all LEDs off; with all four on, it draws between 20 and 30 mA, depending on how many LEDs are high, and how many are low. The use of CMOS op amps reduces quiescent current drain considerably.
Reprinted Url Of This Article:
http://www.seekic.com/circuit_diagram/Basic_Circuit/BUFFERED_BREAKOUT_BOX.html
Print this Page | Comments | Reading(3)
Code: