Published:2009/7/14 21:52:00 Author:Jessie | From:SeekIC

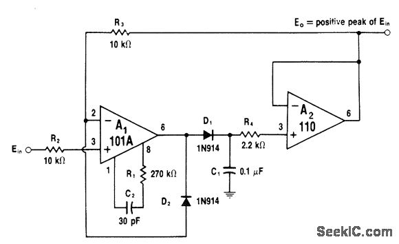
Discharge current through C1 minimized by using low-input-current voltage follower A2. R3 allows A1 to be clamped in OFF state by D2 to give faster recovery. Circuit operates much like ideal diode, but with C1 storing DC voltage equal to peak input voltage value. When input signal crosses zero, A1 drives D1 on and circuit output follows rising signal slope. When input signal reaches peak and reverses, C1 is left charged. Reverse diode connections to detect negative peaks. Value of R1 should be increased to 2.7 megohms if C1 is increased to 1μF to improve stability.-W. G. Jung, IC Op-Amp Cookbook, Howard W. Sams, Indianapolis, IN, 1974, p 196-197.
Reprinted Url Of This Article:
http://www.seekic.com/circuit_diagram/Basic_Circuit/BUFFERED_PEAK_DETECTOR.html
Print this Page | Comments | Reading(3)
Code: