Published:2009/7/15 4:17:00 Author:Jessie | From:SeekIC

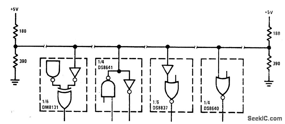
Designed for use in bus-organized data transmission systems interconnected by terminated 120-ohm lines. Up to 27 driver/receiver pairs can be connected to common bus. One two-input NOR gate is included in National DS8641 quad unified bus transceiver package to disable all drivers in package simultaneously.- Interface Integrated Circuits, National Semiconductor, Santa Clara,CA, 1975, p3-17-3-18.
Reprinted Url Of This Article:
http://www.seekic.com/circuit_diagram/Basic_Circuit/BUS_TRANSCEIVER.html
Print this Page | Comments | Reading(3)
Code: