Published:2009/7/23 20:43:00 Author:Jessie | From:SeekIC

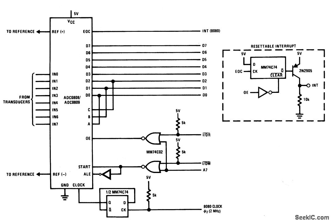
This circuit shows a minimum-component interface for the ADC0808/ 0809, where the EOC is tied directly to the 8080 interrupt input. If an INS8228 is used and the INTA pin is tied through a 1-kΩ resistor, the interrupt will cause a restart, RST, to be executed. This causes a jump to a restart vector, and execution of the interrupt. If a very simple multi-interrupt system is desired, a wired-OR configuration using resetable latches (as shown in dashed lines) can be used. Figures 6-21 and 6-22 show the I/O port-address structures.
Reprinted Url Of This Article:
http://www.seekic.com/circuit_diagram/Basic_Circuit/Basic_8080_8224_8228_interface_for_A_D_converter.html
Print this Page | Comments | Reading(3)
Code: