Published:2009/7/24 9:22:00 Author:Jessie | From:SeekIC

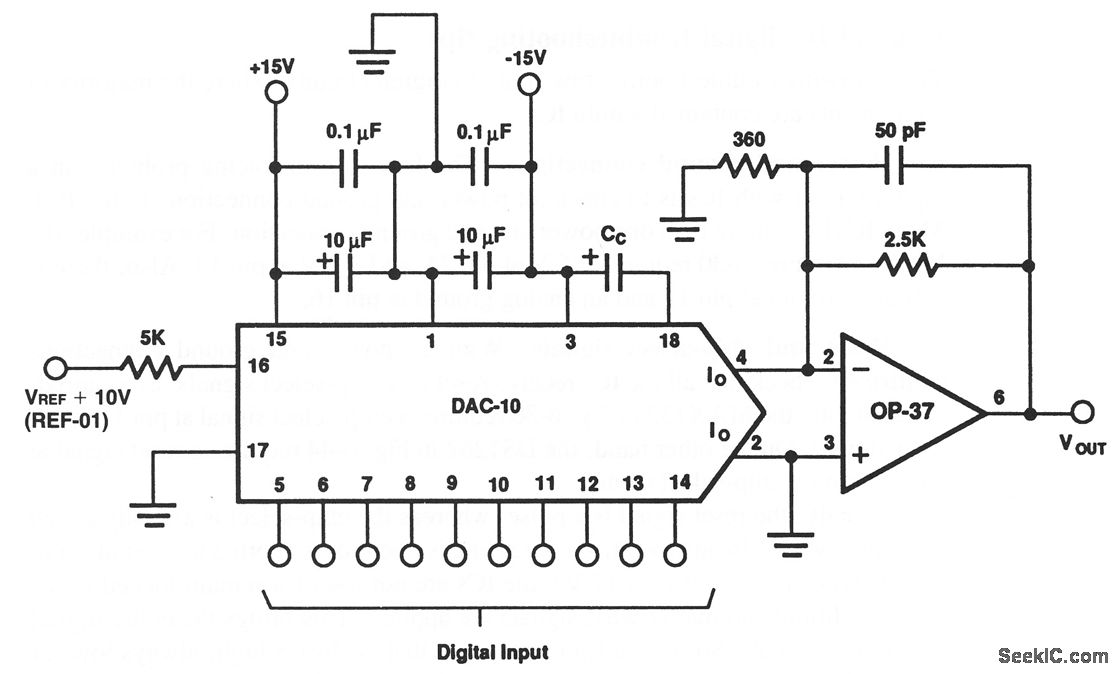
This circuit shows the classic DAC/op-amp combination that produces a digital D/A converter. VOUT is selected, in steps, by the binary signals at the digital input of DAC-10, with the highest VOUT set by VREF at pin 16. VREF is supplied by REF-01 (Fig.4-1). With the circuit assembled using the values shown (0.01 μF is typical for CC), apply binary inputs (typically -VS to -VS plus 36 V) at pins 5 through 14, stating with all zeros (or all 1s). Notice that VOUT varies (in steps) between 0 and a typical 9.9 V. Record actual values. Raytheon Linear Integrated Circuits, 1989, p. 495.
Reprinted Url Of This Article:
http://www.seekic.com/circuit_diagram/Basic_Circuit/Basic_digital_D_A_converter.html
Print this Page | Comments | Reading(3)
Code: