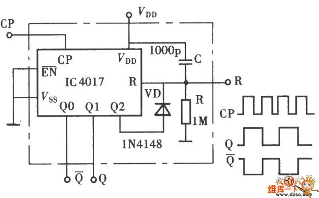
Published:2011/10/17 1:15:00 Author:Ecco | Keyword: Bistable flip-flop | From:SeekIC

Reprinted Url Of This Article:
http://www.seekic.com/circuit_diagram/Basic_Circuit/Bistable_flip_flop_circuit_diagram_composed_of_CD4017.html
Print this Page | Comments | Reading(3)
Code: