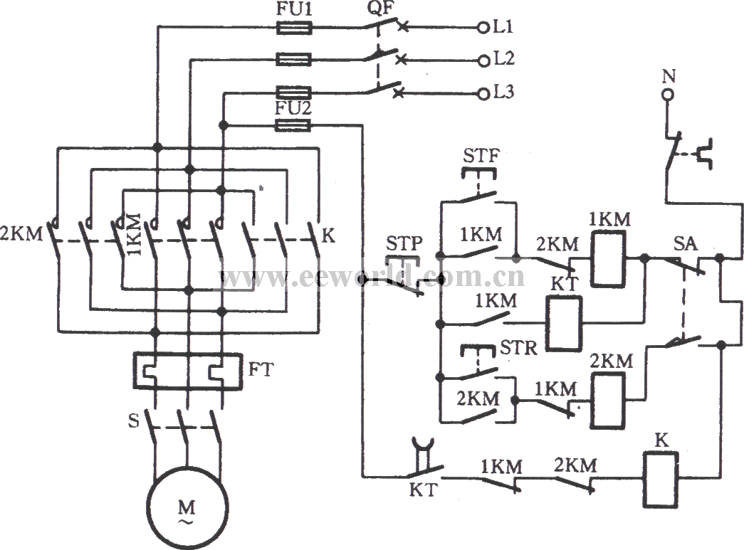
Published:2011/9/6 1:06:00 Author:TaoXi | Keyword: Boiler, coal conveyor circuit | From:SeekIC

Reprinted Url Of This Article:
http://www.seekic.com/circuit_diagram/Basic_Circuit/Boiler_coal_conveyor_circuit.html
Print this Page | Comments | Reading(3)
Code: