Published:2011/6/20 8:43:00 Author:Lucas | Keyword: Broadband , linear, detector circuit | From:SeekIC

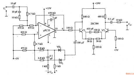
Broadband linear detector circuit is shown as the chart 1-27. It is used in the millvoltmeter and other linear detector circuits with the bandwidth in 10MHz. Uol output is the DC signal, and Uo2 output is the monitor signal. μPC53 is the broadband operational amplifier, and the output is amplified by the differential amplifier composed of VTl and VT2. The differential amplifier requires a higher supply voltage (+24 V). VD1 and VD2 are the the detector diodes, which are connected in the negative feedback circuit.
Reprinted Url Of This Article:
http://www.seekic.com/circuit_diagram/Basic_Circuit/Broadband_linear_detector_circuit.html
Print this Page | Comments | Reading(3)
Code: