Published:2012/9/23 21:30:00 Author:Ecco | Keyword: Broadband voltage follower | From:SeekIC

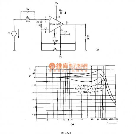
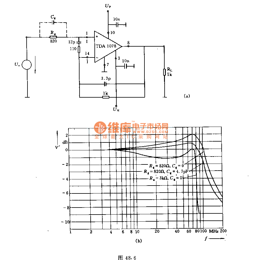
In the figure a, it is connected to frequency compensation circuit, and its amplification factor V '= 1, and it uses the full negative feedback. Small signal 3dB bandwidth frequency is 130MHz ( related to the load impedance ). If the load capacitance is large, it must be connected to resistor RD at the input end in series. Figure b shows the frequency characteristic curve of the voltage follower.
Reprinted Url Of This Article:
http://www.seekic.com/circuit_diagram/Basic_Circuit/Broadband_voltage_follower_circuit.html
Print this Page | Comments | Reading(3)
Code: