Published:2009/7/10 22:36:00 Author:May | From:SeekIC

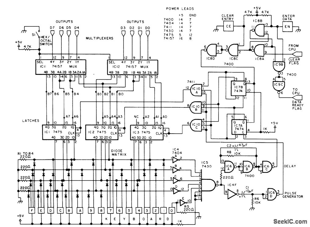
Uses diode matrix that encodes 16 hexadecimal input keys as 4-bit code for microprocessor. Register holds conversion results. Multiplexer gives switch-selected 3-digit octal or 2-digit hexadecimal interpretation to inputs. Control logic serves for keyboard debouncing, cleafing, and entering data.Circuit eliminates need for entering programs with front-panel switches, by using keyboard to enter data in octal or hexadecimal form. Choice of form is achieved with 74157 multiplexors IC11 and IC12, set by S1. Article covers circuit operation in detail and gives 8008 full keyboard input program that defines memory address,with first 2 bytes, then enters loop that loads memory byte by byte in ascending address sequence. RGS-008A interface logic is used to control interface for RGS-008A computer.-J. Hoegerl, Calculator Keyboard Input for the Microcomputer, BYTE, Feb. 1977, p 104-107.
Reprinted Url Of This Article:
http://www.seekic.com/circuit_diagram/Basic_Circuit/CALCULATOR_KEYBOARD_INPUT.html
Print this Page | Comments | Reading(3)
Code: