Published:2009/7/13 22:53:00 Author:May | From:SeekIC


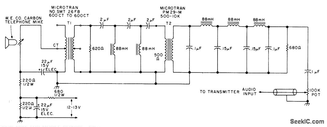
Filter enhances desirable characteristics of ordinary carbon mike taken from telephone, for use with mobile transceiver. Required excitation voltage of 3.5 V for mike is reduced from 12 V of car battery by resistor network having hash filter to keep alternator whine out of audio system. Output of 0.25 mV from mike-filter combination is reduced by 100K pot to value needed for transmitter.-S. Olberg, The Carbon Marvel, 73Mag-azine, April1977, p 120.
Reprinted Url Of This Article:
http://www.seekic.com/circuit_diagram/Basic_Circuit/CARBON_MIKE_FOR_MOBILE_SERVICE.html
Print this Page | Comments | Reading(3)
Code: