Published:2009/7/12 22:15:00 Author:May | From:SeekIC

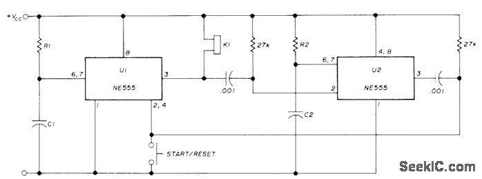
Two timers, each controlling own load andhaving own time intervals (determined by R1C1 and R2C2), recycle automatically when start switch is closed momentarily. If desired, second timer can be set to control ON time offirst timer With 15-V supply, each timer canhandle 200-mA load.-H .Vordenbaum'Automatic Beset Timer,Ham Radio Oct,1974、p50-51.
Reprinted Url Of This Article:
http://www.seekic.com/circuit_diagram/Basic_Circuit/CASCADE_WITH_AUTOMATIC_RETRIGGERING.html
Print this Page | Comments | Reading(3)
Code: