Published:2009/7/14 5:19:00 Author:May | From:SeekIC

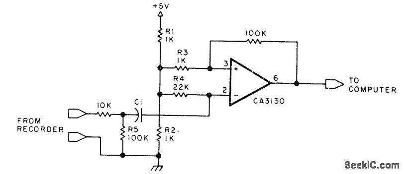
Used between recorder and computer for loading data stored in tape cassette. Single divider network R1-R2 drives both opamp inputs and provides stabilized sensitivity. R3 isolates inputs.-B. E. Rehm, The TDL System Monitor Board, BYTE, April 1978, p 10, 12-14, and 16.
Reprinted Url Of This Article:
http://www.seekic.com/circuit_diagram/Basic_Circuit/CASSETTE_INTERFACE_1.html
Print this Page | Comments | Reading(3)
Code: