Published:2009/7/14 5:23:00 Author:May | From:SeekIC

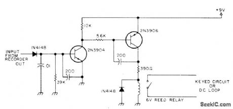
Playback-signal conditioning circuit is used between tape recorder and transmitter when routine CW calls or RTTY test messages are re-corded on endless-loop cassette recorder. Recorded tone is rectified by :N4148 and applied to RC timing circuit. Decay voltage developed across network when tone is removed turns on 2N3904 and 2N3906 stages. Output of 2N3906 drives reed relay in transmitter keying circuit. if resistor is used in place of relay, drop across it during key-down period can be used to drive electronic keyer,-Cassette-Aided CW and RTTY, 73 Magazine. Sept. 1977, p 122-123.
Reprinted Url Of This Article:
http://www.seekic.com/circuit_diagram/Basic_Circuit/CASSETTE_PLAYBACK_OF_CW_AND_RTTY.html
Print this Page | Comments | Reading(3)
Code: