Published:2009/7/6 1:29:00 Author:May | From:SeekIC

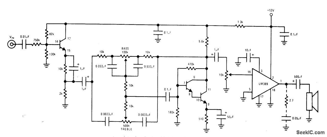
Circuit using National LM389 opamp having three transistors on same chip provides required high input impedance for ceramic cartridge because input transistor is wired as high-impedance emitter-follower. Remaining transistors form high-gain Darlington pair used as active element in low-distortion Baxandall tone-control circuit.-“Audio Handbook,” National Semiconductor, Santa Clara, CA, 1977, p 4-33-4-37.
Reprinted Url Of This Article:
http://www.seekic.com/circuit_diagram/Basic_Circuit/CERAMIC_CARTRIDGE_SYSTEM.html
Print this Page | Comments | Reading(3)
Code: